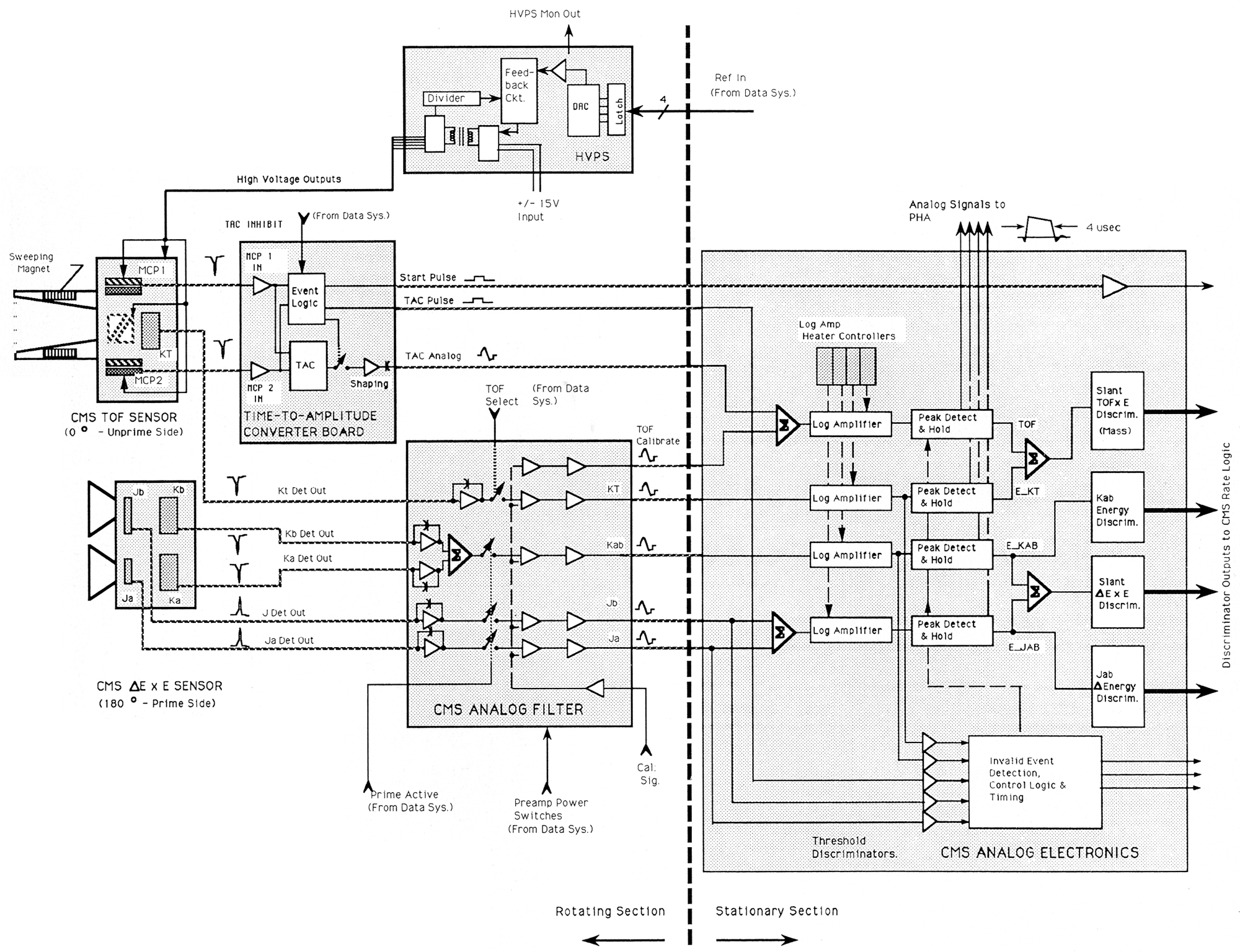
Index of /volume/GOMW_0001/DOCUMENT/EPD

Icon  Name                        Last modified      Size  
[PARENTDIR] Parent Directory - [   ] EPD.ASC 2004-03-25 22:49 79K [TXT] EPD.HTM 2004-02-25 00:44 59K [   ] EPD.LBL 2005-04-18 19:01 7.7K [   ] EPD.PDF 2001-07-06 18:19 461K [IMG] EPD01.GIF 2001-07-06 18:19 308K [IMG] EPD02.GIF 2001-07-06 18:19 45K [IMG] EPD02BIG.GIF 2001-07-06 18:19 71K [IMG] EPD03.GIF 2001-07-06 18:19 116K [IMG] EPD04.GIF 2001-07-06 18:19 74K [IMG] EPD04BIG.GIF 2001-07-06 18:19 175K [IMG] EPD05.GIF 2001-07-06 18:19 56K [IMG] EPD05BIG.GIF 2001-07-06 18:19 104K [IMG] EPD06.GIF 2001-07-06 18:19 76K [IMG] EPD07.GIF 2001-07-06 18:19 73K [IMG] EPD07BIG.GIF 2001-07-06 18:19 284K [IMG] EPD08.GIF 2001-07-06 18:19 124K [IMG] EPD09.GIF 2001-07-06 18:19 89K [IMG] EPD10.GIF 2001-07-06 18:19 97K [IMG] EPD11.GIF 2001-07-06 18:19 74K [IMG] EPD12.GIF 2001-07-06 18:19 85K [IMG] EPD12BIG.GIF 2001-07-06 18:19 1.0M [IMG] EPD13.GIF 2001-07-06 18:19 26K [IMG] EPD14.GIF 2001-07-06 18:19 102K [TXT] INFO.TXT 2004-03-17 19:52 1.2K